一、防爆自動氣象站產品簡介
防爆自動氣象站又稱液晶屏防爆氣象站,防爆氣象站設備,防爆自動氣象站是一款液晶屏顯示,方便用戶查看各種氣象參數的設備,具有防爆特點,能自動監測風速風向,大氣壓力,空氣溫度,空氣濕度等參數,可安裝在工廠,工業園區等危化品領域使用。
WX-FB01S型防爆氣象站是山東萬象環境科技根據市場需求,針對化工廠、油庫等特殊場所而研發生產的一款一體化氣象站。它集數據采集、存儲、顯示、通訊于一體,通過有線的通訊方式與后臺上位機管理軟件或者中控室PLC、DCS對接,進行數據的處理分析。
此款防爆氣象站采用了防腐、防爆、防水、防震、防塵等高防護等級的設計理念,可滿足化工廠、油庫、隧道、礦井等場景的使用需求。
二、防爆自動氣象站產品特點
1、頂蓋隱藏式超聲波探頭,避免雨雪堆積的干擾,避免自然風遮擋
2、原理為發射連續變頻超聲波信號,通過測量相對相位來檢測風速風向
3、風速、風向、空氣溫度、濕度、大氣壓力五要素一體式傳感器
4、485接DCS傳輸
三、防爆自動氣象站技術參數
1、風速:0~60m/s(±0.1m/s);
2、風向:0~360°(±2°);
3、空氣溫度:-40℃~85℃(±0.3℃);
4、空氣濕度:0~100%RH(±2%RH);
5、大氣壓力:300-1100hpa(±0.25%);
6、屏幕:7寸液晶屏,高清彩屏;
7、單機版數據存儲:不少于50萬條;
8、功耗:7.6W
9、生產企業具有Ex ia IIC T6 Ga高等級防爆證書☆
10、通過國家電器安全質量檢驗檢測中心檢驗☆
11、設備通過GB/T 3836.1-2021《爆炸性環境 第1部分:設備 通用要求》
12、設備通過GB/T 3836.4-2021《爆炸性環境 第4部分:由本質安全型“i”保護的設備》
13、整機取得省級第三方檢測報告
14、整機取得中國節能環保產品認證
15、整機取得中國綠色環保產品認證
16、生產企業具有ISO質量管理體系、環境管理體系、職業健康管理體系認證
17、生產企業具有計算機軟件注冊證書
18、生產企業為3A級信用企業
19、生產企業為五星級售后服務先進單位
四、防爆自動氣象站功能特點
1、一體化結構設計,安裝拆卸簡單;
2、傳感器外殼ASA材質,耐腐蝕,抗氧化;
3、支持定制,可根據用戶需求靈活配置監測要素;
4、PC、液晶屏幕兩種顯示方式,有線傳輸
5、五防設計:防水、防爆、防塵、防震、防腐;
6、標準modbus協議,支持多種后臺協議對接,為客戶提供方便;
8、低功耗設計,AC220V供電;
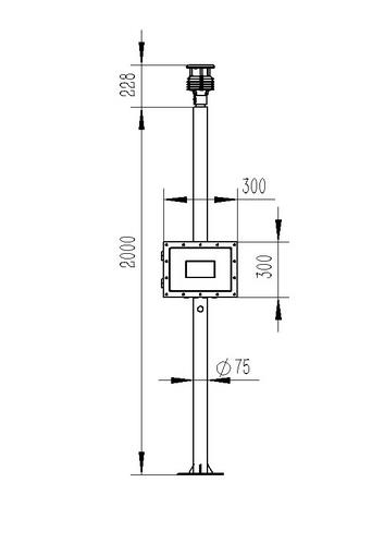
五、產品結構圖

六、產品尺寸圖

七、上位機軟件介紹
1、PC單機版數據接收、存儲、查看、分析軟件
2、支持串口數據接收、處理、展示
3、支持json字符串、modbus485等通信方式
4、可自設置存儲時間,modbus485采集模式下可自設置采集時間
5、支持自助增加、刪除、修改監測參數的協議、名稱、圖標等
6、支持數據后處理功能
7、支持外置運行javascript腳本
八、設備安裝
1、確認現場工況,由本公司設定安裝方案
2、安裝簡單,無需專業人員操作,遠程指導即可安裝
3、使用方無需自配零部件,由本公司精細化配置,設備到場即裝即用


魯公網安備37079402370804